
詳細產品說明
| 優點: | 高速 | 貼標速度: | 60-200個/分鐘 |
|---|---|---|---|
| 功能: | 膠貼標籤 | 材料: | 不銹鋼 |
| 瓶子類型: | 自動圓瓶貼標機 | 應用: | 適用於各種圓形容器 |
| Plc品牌: | 三菱(日本) | 伺服貼標電機: | 台達(台灣) |
紅酒貼標機玻璃酒瓶貼標機,PLC控制系統三菱品牌貼標機
特徵:
1.操作:PLC控制系統使貼標機易於操作
2.材質:貼標機的主體由SUS304不銹鋼製成
3.配置:我們的貼標機採用知名的日本,德國,美國,韓國或台灣品牌零件
4.靈活性:客戶可以選擇添加打印機和打碼機;可以選擇是否與Converyer連接。
技術參數:
| 名稱 | 自動圓酒瓶高速套收縮圓瓶貼標機 |
| 貼標速度 | 60-350個/分鐘 |
| 物體高度 | 30-350毫米 |
| 物體厚度 | 20-120毫米 |
| 標籤高度 | 5-180毫米 |
| 標籤長度 | 25-300毫米 |
| 標籤輥內徑 | 76毫米 |
| 標籤輥外徑 | 420毫米 |
| 貼標精度 | ±1毫米 |
| 電源供應 | 220V 50/60赫茲3.5KW |
| 打印機耗氣量 | 5Kg / m2(如果加上編碼機) |
| 貼標機尺寸 | 2800(長)×1650(寬)×1500(高)mm |
| 貼標機重量 | 180公斤 |
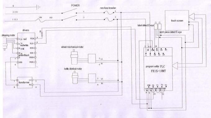
組態
| 沒有。 | 部分 | 牌 | 數量 |
| 1 | 可編程邏輯控制器 | 三菱(日本) | 1 |
| 2 | 主轉換器 | 丹佛斯(丹麥) | 1 |
| 4 | 人機界面 | WEINVIEW(台灣) | 1 |
| 5 | 伺服貼標電機 | 台達(台灣) | 1 |
| 6 | 伺服貼標電機驅動器 | 台達(台灣) | 1 |
| 7 | 輸送電機 | HY(台灣) | 1 |
| 8 | 輸送電機變速箱 | HY(台灣) | 1 |
| 9 | 分瓶電機 | GPG(台灣) | 1 |
| 10 | 分瓶電機變速箱 | GPG(台灣) | 1 |
| 11 | 瓶分離電機調速器 | GPG(台灣) | 1 |
| 12 | 輻條馬達 | GPG(台灣) | 1 |
| 13 | 輻條電機變速箱 | GPG(台灣) | 1 |
| 14 | 對象檢測魔術眼 | 歐姆龍(日本) | 1 |
| 15 | 光纖 | 歐姆龍(日本) | 1 |
機器細節:

32個主要貼標機零件

電路原理圖

常問問題:
1.標籤起泡
原因:
①剝離板不好/不平;
②犁板不好/不平;
③貼標輸出過快或流水線速度過低;
④標籤拉得太鬆
解決方案:
①更換一塊平坦的剝離板;
②換一塊平犁板;
③放慢貼標輸出速度或提高流水線速度;
④正確撞擊標籤帶。
標籤: 工業貼標機,玻璃瓶貼標機









